Munzell tal-lejżer għat-tneħħija tax-xagħar VCSEL
Karatteristiċi ewlenin:
Ittejjeb l-effett kliniku aħjar
Minħabba l-angolu żgħir ta 'diverġenza, penetrazzjoni profonda tal-laser għal follikulu tax-xagħar fil-fond u d-dawl taż-żona għandu densità ta' enerġija għolja ħafna u uniformi, biex tikseb resutls kliniċi eċċellenti.
L-ebda rekwiżit strett tal-kwalità tal-ilma
B'differenza mill-lejżers tradizzjonali Mikro-kanal jew Makro-kanal tad-dijodi li huma adattabbli biss għal ilma dejonizzat jew ilma distillat, VCSEL jista 'jaħdem tajjeb b'ilma tal-vit regolari.
Temperatura sa 65 grad
Il-munzell tal-lejżer VCSEL normalment jista 'jilħaq temperatura għolja sa 65 grad
20,000,000} Shots
Il-munzell tal-lejżer VCSEL itawwal il-ħin tas-servizz tal-magna tat-tneħħija tax-xagħar għal 20 miljun shot
Vantaġġi:
Uniformità tat-tul tal-mewġ u Wisa' Spettrali:
It-teknoloġija tat-tkabbir avvanzat sal-punt fejn il-wejfers VCSEL huma maħluqa b'devjazzjoni standard ta 'wavelength tal-kavità ta' inqas minn 2nm. Dan jippermetti l-manifattura ta' VCSEL 2-D arrays bi ftit varjazzjoni ta' wavelength bejn l-elementi tal-array.
Operazzjoni f'Temperatura Għolja:
Peress li l-apparati VCSEL jistgħu jaħdmu f'temperaturi sa 80 grad Celsius, is-sistema tat-tkessiħ issir ċkejkna ħafna, iebsa u portabbli b'dan l-approċċ.
Stabbiltà tal-Wavelength:
Peress li l-lasing wavelength ta 'VCSEL huwa ffissat mill-kavità Fabry-Perot qasira, huwa relattivament stabbli. B'differenza mill-emitters tat-tarf, il-VCSELs jistgħu jiffunzjonaw biss f'modalità lonġitudinali waħda.

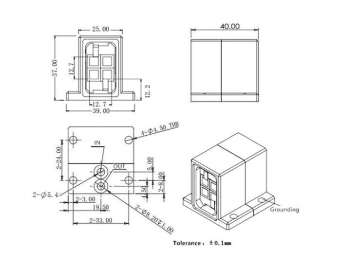
Folja tad-dejta:
Nru tal-oġġett: VC808DL260
| Ottiċi | |
| Wavelength taċ-Ċentru | 808nm |
| Tolleranza tal-Wavelength | ± 8nm |
| Modalità tax-Xogħol | QCW |
| L-Ogħla Qawwa | 65W/ċippa |
| Daqs tal-post | 12.7X12.7 |
| Diverġenza tal-Assi Mgħaġġla (FWHM) | 38Deg |
| Diverġenza tal-Assi Bil-mod (FWHM) | 12Deg |
| Wisa' tal-polz | Inqas minn jew ugwali għal 400mS |
| Dmir Ċiklu | Inqas minn jew ugwali għal 60% |
| Elettriku | |
| Kurrent Operattiv Iop | 65A |
| Limitu Kurrenti Ith | 10A |
| Vultaġġ Operattiv Vop | 8V |
| Effiċjenza tal-Konverżjoni tal-Enerġija | 45~48% |
| Termali | |
| Temperatura operattiva | 15 ~ 30 grad |
| Temperatura tal-Ħażna | 0-55 grad |
Tpinġija Dettaljata:


It-tags Popolari: VCSEL Hair Removal Laser Stack fornituri, manifatturi Ċina, fabbrika, bl-ingrossa, magħmula fiċ-Ċina










